Холодильные горки BADEN
Холодильные горки BADEN естественное продолжение модельного ряда холодильных витрин BADEN.
Витрина BADEN предлагается как «идеальное решение» для любого типа магазина и обеспечивает отличную функциональность, сочетая современную концепцию дизайна высокого уровня.
Низкая холодильная горка отличается своей легкостью, прозрачностью и универсальностью, доведением продукта до потребителя и непосредственным контактом с потребителем. Отличительной особенностью горок BADEN является наличие торцевых элементов сферической формы для организации островного расположения горок спина к спине. Наличие угловых полусфер позволяет красиво обыгрывать колонны и создавать плавные линии.
Витрины BADEN отличаются от любых других витрин своим внешним видом: различные варианты отделки на выбор.
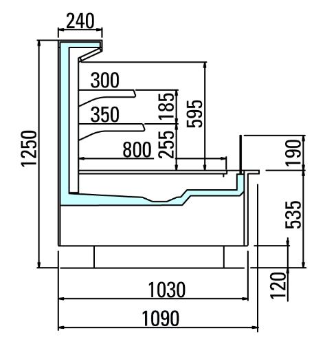
Модельный ряд включает различные высоты и глубины холодильной горки.
| Модель | Габаритные размеры без боковин, мм | Глубина и кол-во полок, мм | Холодопроизводительность, Вт | Полезный объем, м. куб | Мощность, кВт | Температурный режим, C |
|---|---|---|---|---|---|---|
|
Холодильные горки серии BADEN 80 H125 |
||||||
| BADEN 80 H125 1250 | 1250 x 1090 x 1250 | 1х300, 1х350, база 800 | 1013 | 0,740 | 0,558 | 0...+2 °C / +2...+4 °C |
| BADEN 80 H125 2500 | 2500 x 1090 x 1250 | 1х300, 1х350, база 800 | 2025 | 1,484 | 1,115 | 0...+2 °C / +2...+4 °C |
|
Холодильные горки серии BADEN 90 H110 |
||||||
| BADEN 90 H110 1250 | 1250 x 1190 x 1110 | 1х350, база 900 | 846 | 0,650 | 0,558 | 0...+2 °C / +2...+4 °C |
| BADEN 90 H110 1875 | 1875 x 1190 x 1110 | 1х350, база 900 | 1269 | 0,960 | 0,827 | 0...+2 °C / +2...+4 °C |
| BADEN 90 H110 2500 | 2500 x 1190 x 1110 | 1х350, база 900 | 1693 | 1,280 | 1,115 | 0...+2 °C / +2...+4 °C |
| BADEN 90 H110 3750 | 3750 x 1190 x 1110 | 1х350, база 900 | 2539 | 1,920 | 1,693 | 0...+2 °C / +2...+4 °C |
| BADEN 90 H110 RA 90° | H1110 | 1х350, база 900 | 1354 | 1,000 | 0,331 | 0...+2 °C / +2...+4 °C |
|
Холодильные горки серии BADEN 90 H125 |
||||||
| BADEN 90 H125 937 | 937 x 1190 x 1250 | 1х300, 1х350, база 900 | 792 | 0,600 | 0,482 | 0...+2 °C / +2...+4 °C |
| BADEN 90 H125 1250 | 1250 x 1190 x 1250 | 1х300, 1х350, база 900 | 1056 | 0,800 | 0,558 | 0...+2 °C / +2...+4 °C |
| BADEN 90 H125 1875 | 1875 x 1190 x 1250 | 1х300, 1х350, база 900 | 1584 | 1,200 | 0,827 | 0...+2 °C / +2...+4 °C |
| BADEN 90 H125 2500 | 2500 x 1190 x 1250 | 1х300, 1х350, база 900 | 2113 | 1,600 | 1,115 | 0...+2 °C / +2...+4 °C |
| BADEN 90 H125 AA 45° | H1250 | 1х300, 1х350, база 900 | 930 | 0,300 | 0,352 | 0...+2 °C / +2...+4 °C |
Характеристики модельного ряда горок "Baden" фабрики "Арнег"
